“PC2” ATTREZZATURA MANUALE
MODELLO PC2
SCHEDA TECNICA
Attrezzatura da pirodiserbo modello PC2 molto leggera e di facile utilizzo.
L’attrezzatura è idonea per l’impiego su superfici non troppo estese (camminamenti, piccole piazze , piccoli parcheggi) dove la praticità di utilizzo e la facile trasportabilità ne costituiscono qualità fondamentali.
Il tubo di alimentazione ha un rivestimento metallico esterno in grado di sopportare strisciamenti sul terreno; la sua lunghezza è di m 10.
La larghezza utile di lavoro dell’attrezzatura va da 4 a 40 cm a seconda del modello.
La pressione di lavoro si può registrare e normalmente si utilizza da 1 a 1,2 bar.
Il consumo di GPL varia da 1,0 a 2,4 Kg/ora in funzione della pressione di esercizio che si regola, al numero di bruciatori utilizzati (1 o 2) ed in base al tipo di inerbimento da trattare.
Il peso complessivo dell’attrezzatura con tubo da metri 10 varia da 14,0 a 15,0 Kg in funzione del numero di bruciatori utilizzati.
CARATTERISTICHE modello pc2
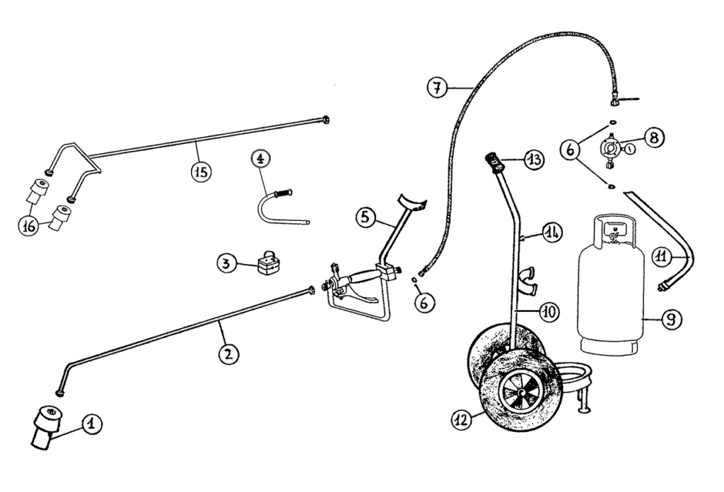
Composizione Tecnica
PC2 SINGOLO (n°1 bruciatore)
1. n°1 bruciatore medio
2. n°1 prolunga completa
3. n°1 supporto per manico
4. n°1 manico completo di manopola in gomma
5. n°1 impugnatura in gomma
6. n°2 guarnizioni in gomma
7. n°1 tubo trecciato metallico in esterno di lunghezza m 10
8. n°1 riduttore di pressione registrabile completo di manometro indicante la pressione di lavoro
9. n°1 bombola da Kg 10-15-20-25 che non viene fornita
10. n°1 carrello completamente zincato
11. n°1 cinghia di fissaggio bombola
12. n°2 ruote gommate da mm 400
13. n°1 impugnatura carrello in gomma
14. n°1 molla ferma prolunga per il trasporto

Composizione Tecnica
PC2 2 DOPPIO (n°2 bruciatori)
1. n°2 bruciatori piccoli
2. n°1 prolunga doppia
3. n°1 supporto per manico
4. n°1 manico completo di manopola in gomma
5. n°1 impugnatura in gomma
6. n°2 guarnizioni in gomma
7. n°1 tubo trecciato metallico in esterno di lunghezza m 10
8. n°1 riduttore di pressione registrabile completo di mano-metro indicante la pressione di lavoro
9. n°1 bombola da Kg 10-15-20-25 che non viene fornita
10. n°1 carrello completamente zincato
11. n°1 cinghia di fissaggio bombola
12. n°2 ruote gommate da mm 400
13. n°1 impugnatura carrello in gomma
14. n°1 molla ferma prolunga per il trasporto

Composizione Tecnica
PC2 3 tRIPLO (n°3 bruciatori)
1. n°1 bruciatore medio
2. n°1 prolunga completa
3. n°1 supporto per manico
4. n°1 manico completo di manopola in gomma
5. n°1 impugnatura in gomma
6. n°2 guarnizioni in gomma
7. n°1 tubo trecciato metallico in esterno di lunghezza m 10
8. n°1 riduttore di pressione registrabile completo di mano- metro indicante la pressione di lavoro
9. n°1 bombola da Kg 10-15-20-25 che non viene fornita
10. n°1 carrello completamente zincato
11. n°1 cinghia di fissaggio bombola
12. n°2 ruote gommate da mm 400
13. n°1 impugnatura carrello in gomma
14. n°1 molla ferma prolunga per il trasporto
15. n°1 prolunga doppia
16. n°2 bruciatori piccoli




